DIY Chonograph

Selbstgebaute Befiederungsgeräte, Spinetester, etc.
Benutzeravatar
Archerbald
Sr. Member
Sr. Member
Beiträge: 444
Registriert: 19.03.2010, 00:01

Re: DIY Chonograph

Beitrag von Archerbald »

Hallo Biker99,

ja cool, so sieht's ungefähr aus (kann ich deine Eagle Files per PN haben?)
Ein paar Details von meinem aktuellen Aufbau (Bauteilnummern bezogen auf deinen Schaltplan)
- 9cm Spule mit 50 Wnd
- C3=C4=22n, damit 60 kHz
- R4 und R5 noch als 100k Potis, damit die PLL-VCO Bandbreite auf ca. 50..70 kHz eingestellt
- pin 15/16 hatte ich erst verbunden, um die interne Z-Diode zu nutzen (die ich leider geschrottet habe)
- C6=1n
- R6=330k und auf PC2 (damit der PLL möglichst dräge nachregelt)
- mein Netzteil hat 10V
- mein Oszi USB Treiber geht ;D

Damit bekomme ich an Pin1 (PhasePulse) kurze Pulse wenn ich eine dicke Schraube schnell durch die Spule bewege. Eine Pfeilspitze verursacht leider keinen Puls. Wenn das noch klappt könnte man das Signal direkt auf den uController geben.

Grüße
Archerbald
Dateianhänge
signal1.jpg
Benutzeravatar
walta
Forenlegende
Forenlegende
Beiträge: 5016
Registriert: 05.11.2005, 21:58

Re: DIY Chonograph

Beitrag von walta »

Archerbald hat geschrieben:- pin 15/16 hatte ich erst verbunden, um die interne Z-Diode zu nutzen (die ich leider geschrottet habe)
Den Satz verstehe ich jetzt zwar nicht ganz aber zum Theam Z-Diode habe ich unlängst folgende Seite gefunden:
Einstellbare Z-Diode
Vielleicht hilft das.

walta
Benutzeravatar
Galighenna
Forenlegende
Forenlegende
Beiträge: 8836
Registriert: 19.07.2004, 21:59

Re: DIY Chonograph

Beitrag von Galighenna »

Ui, das sieht ja schon gut aus. Problem ist, das der pll so langsam nachstellt, das man mehrere spitzen bekommt, mit jeder Periode. Vielleicht kann man die Nachregelzeit so einstellen, das das Nachregeln innerhalb 2-3 Perioden erledigt ist.
Ich verstehe das doch richtig, die Amplitude der spitzen ist abhängig von der Phasen Differenz?

PS: ich bekomme die Tage ein richtiges oszi :) dann fange ich auch mit basteln an.
Übel übel sprach der Dübel,
als er elegant und entspannt
in der harten Wand verschwand

Wer das Forum unterstützen möchte, möge auf den Paypal-Button klicken, oder einen der Moderatoren um die Kontodaten bitten ;)
Benutzeravatar
biker99
Jr. Member
Jr. Member
Beiträge: 67
Registriert: 25.11.2009, 21:36

Re: DIY Chonograph

Beitrag von biker99 »

Hallo Archerbald,

den Eagel Schaltplan schick ich dir per PN.

Zur Schaltung:

Gali hat es schon gesagt. Ich würde auch den Regelkreis schneller machen. Wenn du die Schraube in die Spule bringst, nicht durchfallen lassen, gehen die Spitzen am Signal nach einiger Zeit wieder weg?

Wie sieht das Signal an PIN 2,13 und 10 denn aus?
PIN 10 musst du mit einen Pulldownwiderstand gegen Masse versehen.

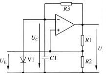
Kannst du mit dem µC diese Spitzen auswerten? Wenn nicht, kannst du mit folgender Schaltung (Monostabile Kippstufe) die Impulse verbreitern:
Vorlesungsscript OP - Schaltungen
Vorlesungsscript OP - Schaltungen
Kipp.jpg (5.66 KiB) 2927 mal betrachtet
Die Impulsdauer berechnet sich:

t = R3*C1*ln ((Ua + 0,7V)/(Ua-Ue)) für Ue > 0,7 V.

Noch was. Wenn die Polarität nicht passt, einfach Diode umdrehen.

Es geht auch ein NE555 in entsprechender Schaltung. Tante Googel weis da mehr.

Gruss Biker99
Benutzeravatar
biker99
Jr. Member
Jr. Member
Beiträge: 67
Registriert: 25.11.2009, 21:36

Re: DIY Chonograph

Beitrag von biker99 »

Ach noch was.

@Gali
Der Ausgang des Phasenkomparartors ist Digital. Im Idealfall sollten dort solange Spitzen auftauchen, bis die beiden Frequenzen wieder gleichphasig sind. Die Impulse sind halt so schmal, dass das Oszi das nicht mehr auflösen kann. Mit der Amplitude kannst du da nichts anfangen.

Gruss Biker99
Benutzeravatar
Galighenna
Forenlegende
Forenlegende
Beiträge: 8836
Registriert: 19.07.2004, 21:59

Re: DIY Chonograph

Beitrag von Galighenna »

@biker
Ich hatte irgendwie im Kopf, das der Steuer-Ausgang der PLL einen linearen Zusammenhang mit der Phasenverschiebung hat. Deswegen hatte ich die Amplitude des Signals in linearem Zusammenhang zur Phasenverschiebung gesetzt. Somit müsste die Amplitude im Laufe der Nachreglung abnehmen. Aber das ist auch nicht so wichtig. Vielleicht hab ich das auch alles noch nicht so richtig verstanden.

Wenn man die Schaltung so einstellen kann das das PLL innerhalb einiger weniger Takte vollständig nachgeregelt hat, dann braucht man ja nur auf den ersten Impuls zu triggern und die nachfolgenden 2, 3, 4, oder 10 Impulse ignorieren. Nur wenn es zu viele werden erreicht die Pfeilspitze evtl bereits die zweite Spule und man würde nicht messen können. Je schneller die PLL also nachregelt desto besser. Das kann man aber dann, wenn die Schaltung funktioniert, noch optimieren und prüfen.
Übel übel sprach der Dübel,
als er elegant und entspannt
in der harten Wand verschwand

Wer das Forum unterstützen möchte, möge auf den Paypal-Button klicken, oder einen der Moderatoren um die Kontodaten bitten ;)
Benutzeravatar
Vulkanier
Sr. Member
Sr. Member
Beiträge: 453
Registriert: 05.02.2012, 14:05

Re: DIY Chonograph

Beitrag von Vulkanier »

Hey Leutz, cooler Tread.

Ich versteh nur kein Wort. :D

....bin aber auf Ergebnisse gespannt.
Grüße vom Vulkan
Benutzeravatar
biker99
Jr. Member
Jr. Member
Beiträge: 67
Registriert: 25.11.2009, 21:36

Re: DIY Chonograph

Beitrag von biker99 »

Hallo Gali,

wie die Auswertung erfolgt ist mir noch nicht so richtig klar. Ich hab keine Erfahrung wie schnell so ein µC arbeitet. Deshalb will ich ja wissen, wie das Signal an anderen Punkte der Schaltung aussieht. Am PIN 9 und 10 also hinter dem RC Glied, am Eingang des VCO sollte es in etwa so aussehen:
paint1.jpg
schwarz = Metall in Spule
rot = Durchgang Metall durch Spule

Das soll Archerbald mal ausmessen. Dann wissen wir wie wir es auswerten können.

Gruss Biker99
Benutzeravatar
biker99
Jr. Member
Jr. Member
Beiträge: 67
Registriert: 25.11.2009, 21:36

Re: DIY Chonograph

Beitrag von biker99 »

@all

Ich wollte Archerbald die Eagel Schaltung per PN schicken. Welche Dateiformate darf man hier oder in einer PN anhängen. Gibt es da eine Übersicht.

Danke Biker99
Benutzeravatar
Galighenna
Forenlegende
Forenlegende
Beiträge: 8836
Registriert: 19.07.2004, 21:59

Re: DIY Chonograph

Beitrag von Galighenna »

Also auf ein High an einem Pin reagieren kann der µC glaube ich etwa in der Geschwindigkeit seiner Taktfrequenz. Genaues dazu müsste aber normalerweise im Datenblatt stehen. Zeiten im µs Bereich sollten aber kein Problem sein denke ich, zumindest war das damals in meiner Ausbildung so, als wir mit dem Vorgänger des ATtiny gearbeitet haben.
Übel übel sprach der Dübel,
als er elegant und entspannt
in der harten Wand verschwand

Wer das Forum unterstützen möchte, möge auf den Paypal-Button klicken, oder einen der Moderatoren um die Kontodaten bitten ;)
Benutzeravatar
Archerbald
Sr. Member
Sr. Member
Beiträge: 444
Registriert: 19.03.2010, 00:01

Re: DIY Chonograph

Beitrag von Archerbald »

- biker's Eagle Dateien kamen an und ich kann sie in Eagle 6.3.0 Light öffnen
- als ich die Schraube langsam eintauchte, gab's keine Pulse, hat wie's sein soll nur auf schnelle Änderungen reagiert
- Monostabile Kippstufe brauchen wir nicht, die AT-uC können Interrupts auf Flanken auslösen, die Pulsdauer kann sehr, sehr klein sein
- kleine Rechnung zu Pulsanzahl: wenn wir bei 100Khz 100 Pulse hätten, würde das 1ms dauern. Ein Pfeil mit 200fps = 61m/s = 61 mm/ms wäre dann 6,1cm geflogen
- leider pulst bei Pfeilspitzen nichts, selbst bei meiner Test-Schlossschraube tut's kaum mehr (weiß leider nicht warum...)
- wenn ich den Widerstand an Pin13 auf 10k reduziere, schwingts bei bei VCO_in und der PLL lockt nicht mehr sauber ???

So schön dass mit den Pulsen wäre, ich denke wir sollten den OP an Pin10 anschließen, dort wackelt das Singnal bei Metall im mV Bereich.
Oszi-Bilder mach ich heute keine mehr, muss mal wieder schlafen...

Gute Nacht
Archerbald
Benutzeravatar
Archerbald
Sr. Member
Sr. Member
Beiträge: 444
Registriert: 19.03.2010, 00:01

Re: DIY Chonograph

Beitrag von Archerbald »

Ich bin bis Ostern offline, danach geht's aber weiter.
Grüße
Archerbald

Edit: hab mir eben in der Bucht vier von den CA3130 geordert
Benutzeravatar
Galighenna
Forenlegende
Forenlegende
Beiträge: 8836
Registriert: 19.07.2004, 21:59

Re: DIY Chonograph

Beitrag von Galighenna »

Ich werde wohl so schnell nicht dazu kommen etwas zu basteln. Mein heiß ersehntes Oszilloskop ist heute angekommen, und naja... Transportschaden. Das komplette hintere Ende des Gehäuses (es ist ein Oszi in so einem mobilen sehr stabilen Gehäuse mit Gurt) ist abgebrochen und in Einzelteile zersprungen. Ich weiß nicht wie man sowas schafft, aber gut, für mich hat sich das erstmal erledigt.

Ich bin gerade so dermaßen sauer und deprimiert, das ich den ganzen Mist in die Ecke hauen möchte. Ich hoffe das DHL wenigstens den Schaden erstattet.

Ich wünsche euch weiter viel Spaß beim basteln. Ich werde mir auch weiterhin hier mit euch den Kopf zerbrechen ;)
Übel übel sprach der Dübel,
als er elegant und entspannt
in der harten Wand verschwand

Wer das Forum unterstützen möchte, möge auf den Paypal-Button klicken, oder einen der Moderatoren um die Kontodaten bitten ;)
Benutzeravatar
walta
Forenlegende
Forenlegende
Beiträge: 5016
Registriert: 05.11.2005, 21:58

Re: DIY Chonograph

Beitrag von walta »

Für die Minimalisten unter uns. Ein billigeres Oszi gibt es wahrscheinlich nicht, ausser vielleicht ein Eigenbau.
mini Osci
Wunder darf man sich jedoch nicht erwarten :-)

walta
Gornarak
Forenlegende
Forenlegende
Beiträge: 3476
Registriert: 22.03.2011, 21:23

Re: DIY Chonograph

Beitrag von Gornarak »

Wie gesagt, wir haben hier alle möglichen Oszis und falls ich selbst keine Zeit für Messungen habe auch nen Azubi, den man u.U. mit was anderem als Werkstadt ausfegen beschäftigen kann. Muss ich aber absprechen.
Antworten

Zurück zu „Werkzeuge“